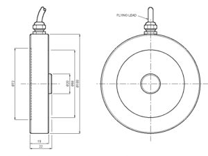
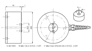
F216 Loadcell

Standard Ranges 5, 10, 20 and 40kN (500kgf to 4tonnef)

Enquire about F216 Loadcell

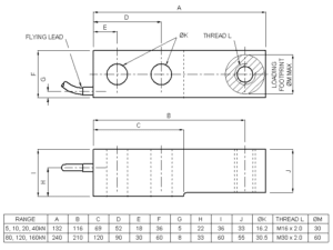
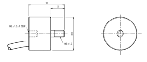
Geometry: Axial strain cylinder in weather sealed case, with raised end load bearing faces. For use in compression.

The F216 is ideally suited to engineering force measurements. It is designed for easy installation, usually between two flat faces bearing on its loading rings.

The small size of this loadcell makes it an ideal force sensor for mounting in existing machinery. It has been used in presses and printing machines.

We are happy to design variants of this loadcell to meet your specific requirements. Versions can be manufactured for fully compensated operation up to +250°C. Please consult our engineering department.

The F216 is ideally suited to engineering force measurements. It is designed for easy installation, usually between two flat faces bearing on its loading rings.

The small size of this loadcell makes it an ideal force sensor for mounting in existing machinery. It has been used in presses and printing machines.

We are happy to design variants of this loadcell to meet your specific requirements. Versions can be manufactured for fully compensated operation up to +250°C. Please consult our engineering department.

Specification

ParameterValueUnit
Non-linearity - Terminal±0.5% RL
Hysteresis±0.5% RL
Creep - 20 minutes±0.05% AL
Repeatability±0.02% RL
Rated output - Nominal1.2mV/V
Rated output - Rationalised1.0mV/V
Rationalisation tolerance±0.5% RL
Zero load output±4% RL
Temperature effect on rated output per °C±0.005% AL
Temperature effect on zero load output per °C±0.03% RL
Temperature range - Compensated-10 to +50°C
Temperature range - Safe-10 to +80°C
Excitation voltage - Recommended10V
Excitation voltage - Maximum20V
Bridge resistance700
Insulation resistance - Minimum at 50Vdc500MΩ
Overload - Safe50% RL
Overload - Ultimate400% RL
SealingIP65
Weight - Nominal (excluding cable)90 to 100g

Order Codes

CodeDescription
F216CFR0K0Compression, IP65, unrationalised
F216CFR0KNCompression, IP65, rationalised

Structural Stiffness

Range (kN)Stiffness (N/m)
52.4 x 108
104.8 x 108
209.6 x 108
401.9 x 109

Notes

  • AL = Applied load.
  • RL = Rated load.
  • Temperature coefficients apply over the compensated range.
  • The load must be applied directly through the central loading axis.

Connections

The loadcell is fitted with 2 metres of PVC insulated 4 core screened cable type 7-2-4C.

Excitation + = Red, Excitation – = Blue, Signal + = Yellow, Signal – = Green, Screen = Orange.

The screen is not connected to the loadcell body.

Files

TitleTypeFile
Outline drawing of the product.Outline Download
F216CFR0K0 5 to 20kN (500kgf to 2tonnef)STEP File Download
F216CFR0K0 40kN (4tonnef)STEP File Download

Enquire about F216 Loadcell

Related Products

Low Range Donut Load Cell
  • Capacity / Rated Load: 7.5 – 50kN
  • Non – Linearity: 0.5%RL
  • Custom Options: High Temperature / Vacuum Compatible Versions Available
Medium Range Donut Load Cell - Low
  • Capacity / Rated Load: 10 – 200kN
  • Non – Linearity: 0.1%RL
  • Custom Options: High Temperature / Vacuum Compatible Versions Available
Medium- High Range Donut Load Cell
  • Capacity / Rated Load: 400 – 800kN
  • Non – Linearity: 0.25%RL
  • Custom Options: High Temperature / Vacuum Compatible Versions Available
High Range Donut Load Cell
  • Capacity / Rated Load: 1000 – 2000kN
  • Non – Linearity: 0.5%RL
  • Standard Variants: Cable or Connector Versions Available
  • Custom Options: High Temperature / Vacuum Compatible Versions Available
High Range Donut Load Cell - Low Profile
  • Capacity / Rated Load: 1000 – 4000kN
  • Non – Linearity: 1.0%RL
  • Custom Options: High Temperature / Vacuum Compatible Versions Available
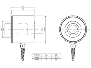
Universal Load Washer
  • Capacity / Rated Load: 10 – 200kN
  • Non – Linearity: 0.5%RL
  • Custom Options: High Temperature / Vacuum Compatible Versions Available
Universal Load Washer - Low Profile
  • Capacity / Rated Load: 10 – 200kN
  • Non – Linearity: 2.0%RL
  • Custom Options: High Temperature / Vacuum Compatible Versions Available
Universal Cylindrical Load Cell - Female Threads
  • Capacity / Rated Load: 10 – 500kN
  • Non – Linearity: 0.2 – 0.5%RL
  • Standard Variants: Cable or Connector Versions Available
  • Custom Options: High Temperature / Vacuum Compatible Versions Available
Universal Cylindrical Load Cell - Female Threads
  • Capacity / Rated Load: 5- 1000kN
  • Non – Linearity: 0.05%RL
  • Special Features: Thread Sizes to Suit Standard Rod End Bearing / Rose Joints
  • Standard Variants: Cable or Connector Versions Available
  • Custom Options: High Temperature / Vacuum Compatible Versions Available
Universal Cylindrical Load Stud - Male Threads
  • Capacity / Rated Load: 15 – 60kN
  • Non – Linearity: 0.1%RL
  • Custom Options: High Temperature / Vacuum Compatible Versions Available
Compact Canister Load Cell with Load Ring
  • Capacity / Rated Load: 5 – 40kN
  • Non – Linearity: 0.5%RL
  • Custom Options: High Temperature / Vacuum Compatible Versions Available
Compact Canister Load Cell with Load Button
  • Capacity / Rated Load: 100 – 400kN
  • Non – Linearity: 0.5%RL
  • Standard Variants: Axial or Radial Cable Versions Available
  • Custom Options: High Temperature / Vacuum Compatible Versions Available
Universal Canister Load Cell with Load Button
  • Capacity / Rated Load: 10 – 2000kN
  • Non – Linearity: 0.05 – 0.4%RL
  • Custom Options: High Temperature / Vacuum Compatible Versions Available
Low Range Pancake Load Cell
  • Capacity / Rated Load: 1 – 10kN
  • Non – Linearity: 0.1%RL
  • Custom Options: High Temperature / Vacuum Compatible Versions Available
Medium Range Pancake Load Cell
  • Capacity / Rated Load: 25 – 200kN
  • Non – Linearity: 0.1%RL
  • Special Features: In Line Adaptor Plates, Fixing Kits and Other Load Fittings Available
  • Standard Variants: Cable or Connector Versions Available
  • Custom Options: High Temperature / Vacuum Compatible Versions Available
Universal Pancake Load Cell
  • Capacity / Rated Load: 1 – 500kN
  • Non – Linearity: 0.1%RL
  • Special Features: In Line Adaptor Plates, Fixing Kits and Other Load Fittings Available
  • Standard Variants: Cable or Connector Versions Available
  • Custom Options: High Temperature / Vacuum Compatible Versions Available
1/2" Diameter Miniature Diapraghm Load Cell
  • Capacity / Rated Load: 250N – 1kN
  • Non – Linearity: 0.5%RL
  • Standard Variants: Compression Only Load Button and Tension / Bi-directional M3 Male Thread Versions Available
15mm Diameter Miniature Diapraghm Load Cell
  • Capacity / Rated Load: 100 – 800N
  • Non – Linearity: 0.5%RL
  • Standard Variants: Compression Only Load Button and Tension / Bi-directional M4 Male Thread Versions Available
20mm Diameter Miniature Diapraghm Load Cell
  • Capacity / Rated Load: 100N – 3.2kN
  • Non – Linearity: 0.5%RL
  • Standard Variants: Compression Only Load Button and Tension / Bi-directional M5 Male Thread Versions Available
30mm Diameter Miniature Diapraghm Load Cell
  • Capacity / Rated Load: 100N – 6.4kN
  • Non – Linearity: 0.5%RL
  • Standard Variants: Compression Only Load Button and Tension / Bi-directional M6 Male Thread Versions Available
Deci-Newton Axial Bending Beam Load Cell
  • Capacity / Rated Load: 0.1N
  • Non – Linearity: 0.2%RL
  • Custom Options: High Temperature / Vacuum Compatible Versions Available
Ultra Low Range Axial Bending Beam Load Cell
  • Capacity / Rated Load: 10 – 500N
  • Non – Linearity: 0.15%RL
  • Custom Options: High Temperature / Vacuum Compatible Versions Available
Low Range Axial Bending Beam Load Cell - Female Drive
  • Capacity / Rated Load: 30 – 300N
  • Non – Linearity: 0.05%RL
  • Standard Variants: Compression Only Load Button Version Available
Low Range Axial Bending Beam Load Cell - Male Drive
  • Capacity / Rated Load: 100 – 800N
  • Non – Linearity: 0.1%RL
Compact Low-Medium Range Axial Load Cell
  • Capacity / Rated Load: 50N – 2.5kN
  • Non – Linearity: 0.1 – 0.35%RL
  • Custom Options: High Temperature / Vacuum Compatible Versions Available
Universal Bending Beam Load Cell
  • Capacity / Rated Load: 200N – 60kN
  • Non – Linearity: 0.05%RL
  • Special Features: High Level of Compensation for Off-Axis Forces
  • Standard Variants: Compression Only Flat or Convex Base and Tension / Bi-directional Thread or Eye Base Versions Available
  • Custom Options: High Temperature / Vacuum Compatible Versions Available
Universal Shear Beam Load Cell
  • Capacity / Rated Load: 80 – 240kN
  • Non – Linearity: 0.1%RL
  • Standard Variants: Compression Only Flat or Convex Base and Tension / Bi-directional Thread Base Versions Available
  • Custom Options: High Temperature / Vacuum Compatible Versions Available
Premium Universal Bending Beam Load Cell
  • Capacity / Rated Load: 1 – 400kN
  • Non – Linearity: 0.03%RL
  • Special Features: High Level of Compensation for Off-Axis Forces
  • Custom Options: High Temperature / Vacuum Compatible Versions Available
Low Range Single Point Bending Beam Load Cell
  • Capacity / Rated Load: 1 – 3N
  • Non – Linearity: 0.1%RL
Single Point Bending Beam Load Cell
  • Capacity / Rated Load: 50 – 300N
  • Non – Linearity: 0.05%RL
Single Point Shear Beam Load Cell
  • Capacity / Rated Load: 5 – 160kN
  • Non – Linearity: 0.1%RL
  • Custom Options: High Temperature / Vacuum Compatible Versions Available
Universal In-line Shear Force Load Cell
  • Capacity / Rated Load: 5 – 50kN
  • Non – Linearity: 0.05%RL
  • Special Features: Can be Used to Support a Large Cantilever Load
  • Custom Options: High Temperature / Vacuum Compatible Versions Available
Low Cost Diaphragm Load Cell with Load Button
  • Capacity / Rated Load: 20 -40kN
  • Non – Linearity: 2.0%RL
  • Special Features: Supplied Without a Full Calibration Certificate, Intended for Large Volume OEM Applications Only
Diaphragm Load Cell with Load Button
  • Capacity / Rated Load: 5 – 50kN
  • Non – Linearity: 0.5%RL
  • Special Features: Dual Fixing Options for Increased Versatility
  • Custom Options: High Temperature / Vacuum Compatible Versions Available
Diaphragm Load Cell with Load Button - Low Profile
  • Capacity / Rated Load: 50 – 100kN
  • Non – Linearity: 0.5%RL
  • Custom Options: High Temperature / Vacuum Compatible Versions Available
Diaphragm Load Cell with Load Ring - Low Profile
  • Capacity / Rated Load: 50N – 10kN
  • Non – Linearity: 0.3 – 0.5%RL
  • Custom Options: High Temperature / Vacuum Compatible Versions Available
3-Axis Gear Shift Load Cell
  • Capacity / Rated Load: 200N
  • Non – Linearity: 0.5%RL
  • Special Features: Ergonomic Design. Direct Replacement of Existing Part
  • Custom Options: Custom Force Ranges / Dimensions and Single or 2-Axis Versions Available
Custom Low Range 2-Axis Load Cell
  • Capacity / Rated Load: 0.1 – 100N
  • Non – Linearity: 0.5%RL
  • Special Features: Both Axes 90° to Each Other in Vertical Plane
  • Custom Options: Custom Force Ranges / Dimensions Available
Custom Medium - High Range 2-Axis Load Cell
  • Capacity / Rated Load: 2 – 10kN
  • Non – Linearity: 0.5%RL
  • Special Features: Both Axes 90° to Each Other in Vertical Plane
  • Standard Variants: Spherical Bearing or Hard Fixing Options Available
  • Custom Options: Custom Force Ranges / Dimensions Available
Custom Low - Medium Range 2 or 3-Axis Load Cell
  • Capacity / Rated Load: 100N – 5kN
  • Non – Linearity: 0.5%RL
  • Special Features: 2-Axis Version Configurable for 90° in Either Vertical or Horizontal Plane
  • Custom Options: Custom Force Ranges / Dimensions Available
Custom Medium - High Range 2 or 3-Axis Load Cell
  • Capacity / Rated Load: 10 – 20kN
  • Non – Linearity: 0.3%RL
  • Special Features: 2-Axis Version Configurable for 90° in Either Vertical or Horizontal Plane
  • Custom Options: Custom Force Ranges / Dimensions Available
Axial Force and Torque Load Cell
  • Capacity / Rated Load: Custom Range
  • Non – Linearity: 0.05%RL
Custom Static Torque Transducer - Low Profile
  • Capacity / Rated Load: Custom Range
  • Non – Linearity: 0.5%RL
  • Special Features: High Level of Compensation for Off-Axis Force. Excellent for Robotics Applications
  • Custom Options: Custom Force Ranges / Dimensions Available
Custom Shear Pin Load Cell
  • Capacity / Rated Load: Custom Range
  • Non – Linearity: 0.1 – 0.3%RL
  • Custom Options: Custom Force Ranges / Dimensions Available
Radial Web Tension / Roller Bearing Load Cell
  • Capacity / Rated Load: 50 – 500N
  • Non – Linearity: 0.03%RL
Low Range Axial Proving Ring Load Cell
  • Capacity / Rated Load: 0.5 – 20N
  • Non – Linearity: 0.2%RL
Low Range Axial Proving Ring Load Cell
  • Capacity / Rated Load: 0.5 – 20N
  • Non – Linearity: 0.2%RL